CaldereriaOnLine.com - BLOG
Novedades, Actualizaciones, Nuevos Desarrollos y Mejoras en CaldereriaOnline.com durante 2025
Descubre cómo nuestra plataforma online se mantiene al día — con acceso instantáneo a nuevas herramientas, correcciones de errores y mejoras continuas a lo largo del año.
Jay Laverage
2025-09-20
Ljubljana, Slovenia
You can also read this article in English.
Actualizaciones, Nuevos Desarrollos y Mejoras
En esta sección iremos publicando regularmente noticias y actualizaciones sobre:
- ✅ Nuevos desarrollos añadidos a nuestras herramientas de trazado de calderería
- 🧩 Mejoras o correcciones realizadas en desarrollos existentes
- 🔧 Corrección de errores, ajustes y mejoras en la plataforma
- 💬 Cualquier otra información relevante para ayudarte a aprovechar al máximo tu experiencia
Desarrollos de Calderería Gratis – Ahora Disponibles para Siempre
2025/09/20
En CaldereriaOnline.com, nos dimos cuenta de que nuestra estructura original para la Prueba Estándar (7 días, 10 descargas) no era la ideal para muchos de nuestros usuarios — especialmente pequeños herreros y talleres que se registraban pero no tenían tantos desarrollos para probar en ese tiempo tan limitado.
Basándonos en estos comentarios, nos quedó claro que contar con Desarrollos GRATIS disponibles para que explores a tu propio ritmo — sin la presión de una cuenta regresiva — era un enfoque más útil. Por eso decidimos hacer disponibles GRATIS un conjunto de nuestros desarrollos de calderería más populares – para siempre.
Estos Desarrollos representan casi el 50% de todas las descargas en nuestra plataforma. Desde conos hasta cilindros, codos y transiciones, ahora puedes probarlos sin costo.
Ir a los Desarrollos Freemium
Puedes leer más también AQUÍ.
NOTA: Nos reservamos el derecho de modificar esta lista en el futuro. Además, podríamos añadir algunos desarrollos temporalmente para promocionar nuestra plataforma.
💡 ¿Cómo encontrarlos?
Busca los desarrollos marcados con un borde verde. Estos son los gratuitos, y descargarlos TAMPOCO descontará de tu saldo Premium.
Si necesitas desarrollos más avanzados o especializados, siempre puedes comprar uno de nuestros muy convenientes paquetes de descargas o suscripción – pero los más usados siempre permanecerán gratuitos.
Comienza a explorar hoy mismo y aprovecha nuestra prueba gratuita ilimitada: sin límite de tiempo, sin tarifas ocultas, solo plantillas de calderería en las que puedes confiar.
Nuevos Desarrollos Disponibles en CaldereriaOnline.com
2025/08/23
Acabamos de añadir tres nuevos desarrollos a la plataforma. Están pensados para darte más opciones al momento de fabricar codos, derivaciones y transiciones para conductos, tuberías y distintos tipos de equipos con los que trabajas día a día.
-
Desarrollo: codo - redondo - ángulo recto
Un codo redondo simple de 90°. Muy útil para trabajos rápidos, conductos básicos o simplemente para probar cómo funciona la plataforma. Fácil de cortar y de armar. -
Desarrollo: codo - redondo - optimizado - gajos anidados
Como el codo a 90°, pero más completo. Aquí puedes definir cualquier ángulo, no solo 90°. Las virolas están dispuestas para aprovechar mejor la chapa, y las uniones no quedan alineadas una tras otra. Eso hace que el codo sea más resistente, más fácil de soldar y mucho más confiable en trabajos exigentes. Perfecto para conductos y tuberías donde necesitas algo que dure. -
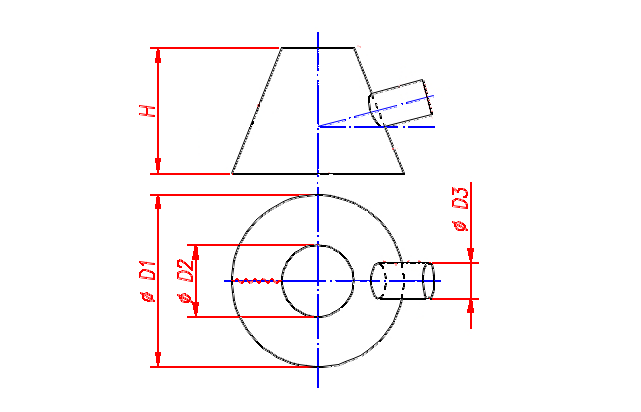
Desarrollo: ramal sobre cilindro - transición - rectángulo [redondeado] a redondo - desplazado - posición desplazada
Un desarrollo muy práctico cuando necesitas unir un cilindro con un ramal tipo transición de rectángulo a redondo, desplazada, que no está centrada sobre el tubo principal. Este diseño es adecuado para equipos como descargas alimentadores de tornillo sinfín, entradas tangenciales de ciclón u otras máquinas similares. La forma más suave ayuda a que el material fluya mejor, evita que se acumule en las esquinas y facilita la limpieza.
Como en todos los desarrollos de CaldereriaOnline.com, puedes descargar estos desarrollos como archivos DXF listos para CNC, o imprimirlos para usarlos como plantillas de papel para marcar directamente sobre la chapa. La idea es simple: ahorrar tiempo, evitar errores y hacer que esas piezas complejas sean más fáciles de fabricar en el taller.
Revisa los nuevos desarrollos y comprueba cómo pueden ayudarte en tu próximo proyecto.
Un Nuevo Desarrollo en CaldereriaOnline.com
2025/07/26
Desarrollo: redondo - ramal sobre cono
¿Necesitás agregar un tubo redondo a una superficie cónica? Acabamos de incorporar el desarrollo Desarrollo: redondo - ramal sobre cono para facilitarte ese trabajo. Ya sea para un sistema de recolección de polvo, tolva, ciclón o conductos a medida, este desarrollo te ofrece el desplegado completo, con el contorno desplegado para el cono, con su correspondiente agujero, y el ramal redondo, listo para enviar al corte CNC.
NOTA: Al igual que con todos los desarrollos de ramales en CaldereriaOnline.com, la vista 3D del cono no muestra el agujero según las medidas ingresadas, pero el desarrollo desplegado en 2D lo indica correctamente.
Estamos mejorando la plataforma continuamente y sumando nuevas herramientas según las necesidades de profesionales como vos. ¡Gracias por ser parte de nuestra plataforma! Seguiremos agregando nuevas actualizaciones próximamente.
🧩 Formación precisa de piezas - ángulos de plegado en tus desarrollos
2025/06/21
¡Ángulos de Plegado en los Desarrollos 2D!
En CaldereriaOnline.com, siempre estamos mejorando gracias a los comentarios de nuestros usuarios.
Ahora, ciertos desarrollos incluyen los ángulos de plegado directamente en el dibujo 2D. Esta función está pensada especialmente para quienes usan una plegadora para formar piezas y necesitan ingresar ángulos precisos en sus máquinas o en las hojas de trabajo para los operarios.
🛠️ Esta nueva opción se aplica a:
- Conos excéntricos (con extremo superior paralelo a la base)
- Tolvas — tanto paralelas como inclinadas
- Transiciones de rectángulo a redondo (con extremos paralelos)
Solo tienes que tildar la casilla Incluir textos de ángulos de plegado en la configuración antes de generar tu desarrollo plano.
- ⚠️ Nota: Las líneas y ángulos de plegado se incluyen como referencia — puedes usar otros métodos de conformado como el rolado, si es aplicable, según el proceso de tu taller.
👉 Pruebalo ahora en CaldereriaOnline.com
Y como siempre, si tienes sugerencias o ideas para mejorar, escríbenos. Muchas de las mejores funciones del sitio empezaron con comentarios de los usuarios.
✅ Corrección de desarrollos – Plantillas de papel
2025/06/14
En CaldereriaOnline.com, trabajamos constantemente para mejorar nuestras herramientas y mantener la precisión — especialmente para profesionales como tú, que dependen de desarrollos limpios y exactos cada día.
Recientemente detectamos y corregimos un problema técnico que afectaba a los ramales a 90° al generar la plantilla en papel. El tubo ramal (únicamente) no se calculaba como plantilla para envolver, sino como un desarrollo plano para corte en chapa.
Si has utilizado estos desarrollos anteriormente, te recomendamos volver a generarlos para asegurarte de que estás trabajando con la versión más precisa y actualizada.
🛠️ ¿Cuál era el problema?
Debido a un error, en estos dos desarrollos, si el usuario seleccionaba la opción de plantilla en papel, el tubo ramal se dibujaba incorrectamente como una plantilla plana de chapa en lugar de la plantilla envolvente en papel que correspondía. El tubo principal sí se generaba correctamente como plantilla en papel.
📂 Impacto potencial y transparencia
- Revisamos los registros de descarga en nuestro sitio web.
- Evaluamos el impacto — por ejemplo, cuántos usuarios podrían haberse visto afectados durante el período en que el error estuvo activo.
- Cuando corresponde, estamos contactando a esos usuarios para informarles del problema y recomendar que descarguen nuevamente los desarrollos corregidos.
🛠️ Solución Rápida Gracias a un Usuario de Cali 🇨🇴
Mientras estábamos ocupados introduciendo algunas mejoras menores en nuestra plataforma, un problema se nos coló en los desarrollos de codo, lo que los hizo temporalmente inaccesibles.
Probablemente nos habríamos tardado más en detectarlo, de no ser por un atento usuario de Cali, Colombia que se comunicó con nosotros y señaló el problema. Gracias a su mensaje, nuestro equipo pudo identificar y resolver el inconveniente en solo unas pocas horas.
Para mostrar nuestro agradecimiento, le otorgamos a este usuario acceso completo con descargas ilimitadas durante los próximos 45 días. 🎉
Siempre estamos agradecidos por los usuarios que se toman el tiempo de reportar problemas—nos ayudan a mantener la plataforma funcionando sin problemas para todos. Si alguna vez ves algo que no parece estar bien, no dudes en contactarnos.
Revisa nuestra publicación del 2025/04/05 más abajo para más detalles sobre nuestras políticas de comunicación de errores y acciones correctivas.
Nueva Calculadora de Tonos de Soldadura
2025/05/24
🧰 Calcula el Tono de tu Filtro para Soldadura — Sin Adivinar
Cuando estás soldando todo el día, no te puedes dar el lujo de usar un filtro de tono incorrecto. Si es muy claro, te arruinarás los ojos. Para ayudarte en la selección, armé esta Calculadora Gratis de Tonos de Filtros para Soldadura — para que dejes de adivinar y trabajes con seguridad.
Solo tienes que elegir el proceso de soldadura (electrodo, TIG, MIG, oxicorte, plasma...), poner el valor de amperaje o presión de gas, y la herramienta te muestra el número de tonalidad recomendado según normas reconocidas como ANSI, EN, OSHA y AWS.
Ya sea que estés soldando a 90 amperios o cortando chapa con oxígeno, esta herramienta te da un número confiable — al instante. Sin buscar tablas. Sin abrir manuales.
Es una herramienta gratis, funciona desde tu celular o computadora, y te ayuda a proteger la vista y trabajar seguro.
👉 Prueba la Calculadora de Tintes para Filtros de Soldadura ahora.
Cuida tus ojos. No tienen repuesto.
Dos nuevos desarrollos añadidos a CaldereriaOnline.com
2025/04/12
Nos complace anunciar la incorporación de dos nuevos trazados en CaldereriaOnline.com, ampliando aún más las posibilidades para nuestros usuarios y su trabajo en sus talleres de herrería de chapa metálica.
- Desarrollo: ramal sobre cilindro - transición - rectángulo [redondeado] a redondo
- Desarrollo: codo - cono - N partes
Desarrollo: ramal sobre cilindro - transición - rectángulo [redondeado] a redondo
Este nuevo desarrollo permite crear una derivación a partir de una transición de rectángulo a redondo directamente unida a una superficie cilíndrica. Algunos posibles usos son:
- Sistemas de descarga de materiales a granel, donde una salida redonda alimenta un sinfín helicoidal que gira en un tubo cilíndrico
- Aberturas de tanques o silos que necesitan una conexión rectangular que se conecta a conductos redondos
- Y mucho más...
Este fue uno de los desarrollos más solicitados por nuestros usuarios, y nos alegra poder ofrecerlo finalmente en la plataforma.
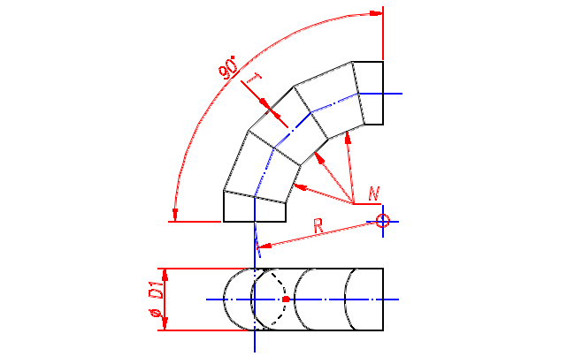
Desarrollo: codo - cono - N partes
¿Necesitas conectar dos tubos de distinto diámetro con un codo? Ahora puedes hacerlo.
Este nuevo desarrollos resuelve la compleja tarea de unir dos diámetros diferentes usando un codo segmentado. Este desarrollo también fue muy pedido por los usuarios, y también estamos muy felices de haberlo incorporado a la plataforma.
🔧 ¿Por qué esto es importante?
Con estas dos incorporaciones, CaldereriaOnline.com sigue ofreciendo una de las colecciones más completas de herramientas online para el desarrollo de piezas de pailería de chapa metálica.
Ya sea que diseñes transiciones complejas, derivaciones inusuales o codos segmentados, ahora puedes generar los desarrollos directamente en tu navegador, listos para el corte con CNC (o manual).
🎯 Nuestro objetivo
Nuestra misión es apoyar a herreros y profesionales como tú con herramientas inteligentes, accesibles y precisas para la generación de desarrollos — garantizando alta precisión, agilizando tus procesos y ayudándote a tener una producción más eficiente.
Estamos constantemente trabajando en mejoras, nuevas piezas y funciones actualizadas — y como siempre, cada actualización se publica directamente en la plataforma. Sin necesidad de descarga de programas ni instalación de actualizaciones.
✅ Corrección de Desarrollos y la Ventaja de las Herramientas en Línea
2025/06/14
En CaldereriaOnline.com estamos comprometidos con la mejora continua de nuestra plataforma y con la transparencia hacia nuestros usuarios — especialmente cuando se trata de problemas técnicos que puedan afectar la precisión de los desarrollos.
Recientemente detectamos y corregimos un problema relacionado con los desarrollos de ramal y tubo principal de un solo diámetro (tanto a 90 grados como inclinados), del tipo que es conocido en el ambiente como boca de pescado.
🛠️ ¿Cuál fue el problema?
Debido a una falla en cómo se aplicaban las configuraciones, la plataforma permitía ajustes independientes para los extremos del tubo principal y del ramal:
- Configuración Lado 12 (para el principal)
- Configuración Lado 34 (para el ramal)
Cada uno podía configurarse de forma independiente como Interior, Centro u Exterior. Sin embargo, si se usaban valores distintos, el patrón resultante generaba diámetros diferentes para el tubo principal y el ramal — lo cual contradice la idea del desarrollos de un único diámetro.
✅ Cómo lo solucionamos
Ahora hemos corregido el comportamiento para que:
- La sección del ramal herede automáticamente la configuración de Lado 12.
- Esto asegura que tanto el tubo principal como el ramal mantengan un diámetro igual y coherente en todo el desarrollo.
La herramienta actualizada ahora garantiza una unión correctamente alineada de un solo diámetro en todos los casos.
📡 La ventaja de la plataforma en línea
Esta situación también resalta una de las principales ventajas de usar una herramienta online como CaldereriaOnline.com:
- La corrección ya está disponible.
- Todos los usuarios que acceden a la plataforma ya se benefician de la versión corregida — sin descargas, sin actualizaciones, sin demoras.
Si esto hubiera sido parte de un complemento o add-on para software CAD de escritorio (como lo era nuestro programa LITIO2), distribuir la corrección habría sido:
- Engorroso, requiriendo correos o descargas manuales
- Poco fiable, ya que no todos los usuarios se podrían actualizar
- Lento, tanto para desarrolladores como para usuarios
📂 ¿Qué pasa con los usuarios existentes?
Para evaluar el impacto potencial:
- Revisamos los registros de descargas y uso del sitio web.
- Evaluamos cuántos usuarios podrían haber sido afectados durante el tiempo en que el problema estuvo presente.
- Cuando corresponde, estamos contactando directamente a los usuarios para informarles del problema y recomendarles volver a descargar los patrones afectados.
🔍 Transparencia, confianza y calidad
Ningún software es perfecto — pero lo importante es cómo se manejan los errores.
Creemos que la comunicación abierta y las actualizaciones responsables son clave para:
- Ganar la confianza de nuestros usuarios
- Asegurar desarrollos de calidad para calderería
- Mejorar constantemente tu experiencia en nuestra plataforma
🎥 Un vistazo más de cerca: video
El siguiente video muestra:
- Cómo se veía el desarrollo incorrecto
- Cómo funciona ahora la versión corregida
- Por qué las herramientas online te mantienen siempre actualizado
Si tienes dudas, o crees que podrías haber sido afectado por este problema, no dudes en contactarnos. ¡Estamos para ayudarte!
Gracias por seguir confiando en CaldereriaOnline.com.
También te podría interesar
- Ventajas de CaldereriaOnLine.com
- Consejos para tus Desarrollos de Caldedería en Línea
- Los 10 Mejores Programas de Desarrollos de Calderería de 2025
- Herramienta en línea para Plantillas de Desarrollos de Chapa Metálica para Calderería Industrial
- Desarrollos de Calderería Gratis y Pruebas en CaldereriaOnline.com
- CaldereriaOnline.com vs Método Manual y CAD: ¿Qué opción ahorra más tiempo y dinero?
Para más artículos como este mantente atento a nuestro blog y aprovecha para explorar nuestra colección de herramientas de desarrollos en línea diseñadas para agilizar tus procesos de calderería de chapa metálica.




![Desarrollo: ramal sobre cilindro - transición - rectángulo [redondeado] a redondo - desplazado - posición desplazada Desarrollo: ramal sobre cilindro - transición - rectángulo [redondeado] a redondo - desplazado - posición desplazada](img/j3.png)




![Desarrollo: ramal sobre cilindro - transición - rectángulo [redondeado] a redondo Desarrollo: ramal sobre cilindro - transición - rectángulo [redondeado] a redondo](img/j1.png)

